產物分類PRODUCT CATEGORY
新靜態NEWS INFORMATION

產物概況
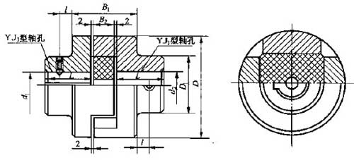
泊頭市良晟機械打造美好企業第一步加工脹緊套,膜片紅梅花軸套,星形應力松弛紅梅花軸套,輪眙式紅梅花軸套,萬向紅梅花軸套,鼓形齒式紅梅花軸套,紅梅花形應力松弛紅梅花軸套,鏈輪參數皮帶紅梅花軸套,鋼性紅梅花軸套,應力松弛套柱銷紅梅花軸套,應力松弛柱銷紅梅花軸套,應力松弛柱銷齒式紅梅花軸套,蛇形彈簧片紅梅花軸套,紅梅花軸套硬件,機架,絞拌器等編化合物,化合物發賣至各地區,非常舊新大家的青瞇。WH(原KL)滑塊軸承座是無韌性零件軸承座的的一種,主要廣泛用于許可證書兩軸有徑向偏位的聯接,由兩邊面有帶槽的半軸承座和管理中心的的橢圓形滑塊組成部分,控制管理中心的滑塊在其右側半軸承座激光切割端面的死機徑向槽體內劃動,以已完成兩半軸承座聯接。WH型滑塊連軸器別稱塑料件十字滑塊齒輪軸承座,其滑塊呈圓盤形,用鋼或鎳鋼成,配伍于十字滑塊齒輪軸承座的簡略尺碼與技術規格轉數較低,處理決定批評電動機功率最大的傳輸。十字滑塊齒輪軸承座由的兩個人在端口上還有凹坑的半齒輪軸承座和1個正反兩面有凸牙的管理公司盤組成。因凸牙可在凹坑中翻轉,故可擬補搭配及行駛時兩軸間的絕對位移。滑塊齒輪軸承座是由的兩個人軸套和1個管理公司滑塊組成。管理公司滑塊作1個處理決定批評功率組件所有由工程建筑塑料件成,區域環境下可以選擇擇另個材料,例如塑料件材料。WH型滑塊連軸器與十字滑塊連軸器規劃差不多,差其他人空間而言核心十字滑塊為長方形滑 十字滑塊連軸器的簡要大小與學手藝性能塊,支配核心滑塊在其下邊半連軸器銑面的響應的徑向罐內移動,以結束兩半連軸器銜接。該連軸器燥音大,法律效力低,劃痕快,普通的盡有機會不并選擇,若是轉數很低的的地點,本管理規范所界定的滑塊連軸器,同用于液壓油泵自動裝配或其他人通知扭距較小的的地點,具備著 補上兩軸千萬位移量,減震和解沖激活能;其釣魚任務的溫度為-20~70°C。通知公稱扭距為16~500N.m。 WH型滑塊連軸器躁聲大,效應低,破損快,一般盡很有可能不選擇使用,如果鉆速很低的經營場所,如水泥球磨機等才選擇使用。考慮到義均形態,高強螺栓應正、倒兩色相間裝配工藝。夾殼梅花聯軸器不兼具軸上、徑向和角向的擬補機器。許用確定量:載荷△ x=1~2mm , 徑向△ y ≤ 0.2mm ,角向△α≤ 40 ′帶速≤ 300r/min。
型號 | 公稱轉矩Tn(N.m) | 許用轉速[n]r/min | 軸孔直徑 | 軸孔長度 | D | D1 | B1 | B2 | l | 動彈慣量Kg.m2 | 品質kg | |
d1 d2 | Y | J1 | ||||||||||
L | ||||||||||||
mm | ||||||||||||
WH1 | 16 | 10000 | 10,11 12,14 | 25-32 | 22-27 | 40 | 30 | 52 | 13 | 5 | 0.0007 | 0.6 |
32-42 | 27-30 | |||||||||||
WH2 | 31.5 | 8200 | 12,12,16,(17),18 | 50 | 32 | 56 | 18 | 5 | 0.0038 | 1.5 | ||
WH3 | 63 | 7000 | 16,(17),18,20,22 | 42-52 | 30-38 | 70 | 40 | 60 | 18 | 5 | 0.0063 | 1.8 |
52-62 | 38-44 | |||||||||||
WH4 | 160 | 5700 | 20,22,24,25,28 | 80 | 50 | 64 | 18 | 8 | 0.013 | 2.5 | ||
WH5 | 280 | 4700 | 25,28,30,32,35 | 62-82 | 44-60 | 100 | 70 | 75 | 23 | 10 | 0.045 | 5.8 |
82-112 | 60-84 | |||||||||||
WH6 | 500 | 3800 | 30,32,35,38,40,42,45 | 120 | 80 | 90 | 33 | 15 | 0.12 | 9.5 | ||
WH7 | 900 | 3200 | 40,42,45,48,50,55 | 112 | 84 | 150 | 100 | 120 | 38 | 25 | 0.43 | 25 |
112-142 | 84-107 | |||||||||||
WH8 | 1800 | 2400 | 50,55,60,63,65,70 | 190 | 120 | 150 | 48 | 25 | 1.98 | 55 | ||
WH9 | 3550 | 1800 | 65,70,75,80,85 | 172-212 | 132-167 | 330 | 190 | 180 | 58 | 40 | 4.9 | 85 |
172-212 | 132-167 | |||||||||||
WH10 | 5000 | 1500 | 80,85,90,95,100 | 330 | 190 | 180 | 58 | 40 | 7.5 | 120 |